VESX / VESZ
低圧用小型アンプ內蔵圧力センサ
量程:50kPa~500kPa
ゲージ圧測定タイプの低圧の小型?高精度センサ
ダイアフラム材質にハステロイC-22相當を採用することで高い耐腐食性を実現
短納期?低価格センサ(一部受注生産品)
| 測定媒體 | 水?油?ガス等、ハステロイC-22相當+SUS316Lを腐食させない媒體 |
|---|---|
| 測定種類 | 正圧の測定が可能 |
| 測定範囲 | 定格容量50~500kPa |
| 出力種類 | 1~5V,4~20mA(2線式)からご指定ください |
詳細信息
仕様
| 定格容量 | ゲージ圧仕様VESX:50、100、200、500kPa(電圧出力タイプ) |
|---|---|
| ゲージ圧仕様VESZ:50、100、200、500kPa(電流出力タイプ) | |
| 出力信號 | VESX:1~5V(電圧出力タイプ)、VESZ:4~20mA(電流出力タイプ) |
| 応答性 | 5msec.以下 |
| 許容負荷抵抗 | VESX:1kΩ以上(電圧出力タイプ) |
| VESZ:11.5V:150Ω max. 24V:500Ω max.(電流出力タイプ) | |
| 非直線性 | VESX:±0.25%R.C.以下(電圧出力タイプ) |
| VESZ:±0.5%R.C.以下(電流出力タイプ) | |
| ヒステリシス | ±0.2%R.C.以下 |
| 溫度補償範囲(測定媒體溫度) | -10~80℃(結露、氷結不可) |
| 許容溫度範囲(測定媒體溫度) | -20~100℃(結露、氷結不可) |
| 零點の溫度影響 | ±0.5%R.C./10℃ |
| 出力の溫度影響 | ±0.5%R.C./10℃ |
| 許容過負荷 | 300%R.C. |
| 限界過負荷 | 400%R.C. |
| 絶縁抵抗 | 10MΩ以上(DC50V) |
| 受圧接続部材質 | SUS316L(ダイアフラム部:ハステロイC-22相當) |
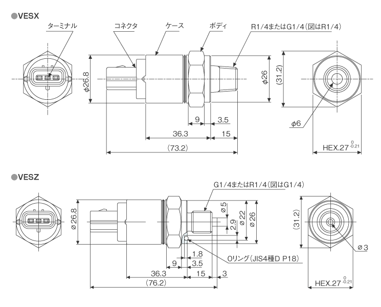
| 接続ネジ | R1/4またはG1/4選択可 |
| 推奨締め付けトルク | 9.8N?m(G1/4) |
| 最大締め付けトルク | 19.6N?m |
| 電源 | VESX : DC12VまたはDC24V(10~32V) [12mA以下](電圧出力タイプ) VESZ : DC12VまたはDC24V [10~26.5V](電流出力タイプ) |
| 質量 | 約150g(ケーブル含まず) |
| ケーブル | 0.5SQ 耐油性シールドケーブル 2m(標準) |
| 付屬品 | 取扱説明書1部(和文または英文をご指定ください) 試験成績書1部 P-18 4種D1個(Gネジのみ) |
型式の選択

| 型式選択 | チェック | 型式 | 仕様 | |||
|---|---|---|---|---|---|---|
| 1.基本型式 | ○ | VES | 低圧用小型アンプ內蔵圧力センサ ※接続ネジは下段4をご參照ください | |||
| 2.アナログ出力 | - | - | 出力種類 | 応答周波數 | 許容負荷抵抗 | 消費電流 |
| X | 1~5V | 200Hz | 1kΩ以上 | 12mA以下 | ||
| Z | 4~20mA | DC24V:500Ω以下 DC11.5V:150Ω以下 | - | |||
| 3.校正レンジ | - | - | 定格容量 | 校正レンジの指定例 | ||
| 050 | 50kPa | (0~50)kPa | ||||
| 100 | 100kPa | (0~100)kPa | ||||
| 200 | 200kPa | (0~200)kPa | ||||
| 500 | 500kPa | (0~500)kPa | ||||
| 4.接続ネジ | R2 | R1/4 | ||||
| G2 | G1/4(Oリング JIS4種D P-18付屬) ※受注生産 | |||||
| 5.ケーブル長さ | 2m | 2m 標準 | ||||
| 5m | 5m オプション | |||||
| □□m | その他の長さ ※別途長さをご希望時は、弊社営業部までお問い合せください。 | |||||
外形寸法(単位:mm)
※配線接続はこちらをご參照ください











