VLC-E333M1H
高溫対応150℃
小型
量程:500N~20kN
詳細信息
仕様
| 定格出力 | 1.200~1.800mV/V |
|---|---|
| 非直線性 | ±0.3%R.C. |
| ヒステリシス | ±0.3%R.C. |
| 繰り返し性 | ±0.3%R.C. |
| 零バランス | -0.075~0.075mV/V |
| 零點の溫度影響 | ±0.5%R.C./10℃ |
| 出力の溫度影響 | ±0.5%R.C./10℃ |
| 許容過負荷 | 150%R.C. |
| 溫度補償範囲 | -30~150℃(結露、氷結不可) |
| 許容溫度範囲 | -40~180℃(結露、氷結不可) |
| 入力抵抗 | 343.0~357.0Ω |
| 出力抵抗 | 343.0~357.0Ω |
| 推奨印加電圧 | 8V以下 |
| 最大印加電圧 | 12V |
| 絶縁抵抗 | 1000MΩ以上(DC 50V) |
| 保護構造 | IP50 相當(注1) |
| ケーブル | φ4mm 4芯シールドテフロンケーブル(A-6FF-SB) 3m |
(注1)ケーブル外皮の経年変化によりケーブル取出し口のシール性が低下する場合があります。
型式の選択
| 選択 | 型式 | 定格容量 | 定格変位量 | 質量 |
|---|---|---|---|---|
| VLC-500NE333M1H | 500N | 約0.10mm | 約700g | |
| VLC-1KNE333M1H | 1kN | 約0.05mm | ||
| VLC-2KNE333M1H | 2kN | |||
| VLC-3KNE333M1H | 3kN | |||
| VLC-5KNE333M1H | 5kN | |||
| VLC-10KNE333M1H | 10kN | 約0.04mm | ||
| VLC-20KNE333M1H | 20kN |
※ケーブル込みの質量です。
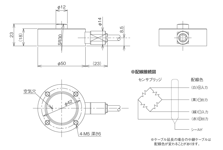
外形寸法(単位:mm)











